Přístroj pro zjišťování vůlí v zavěšení kol a řízení OMA 547INC
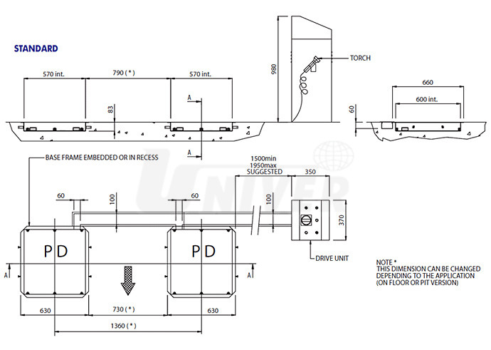
Elektrohydraulický přístroj pro zjišťování vůlí v zavěšení kol a řízení je určen pro instalaci na podlahu. Má skříň s ovládacím panelem, montážní lampu a dvě plošiny, které vykonávají dva různé pohyby, což umožňuje identifikaci vůlí v zavěšení kol i v řízení. Plošiny se usazují do podlahového rámu, přičemž je možné vedle instalovat i rám s otočnou plošinou.Technické parametry:
|
max.zatížení každé plošiny max.pohyb plošiny P1 max.úhel plošiny P2 max.tlačná síla každé plošiny minimální vnitřní vzdálenost mezi plošinami maximální vnější vzdálenost mezi plošinami hmotnost elektromotor pracovní teplota hluk |
1300 kg ±40 mm ± 15° 800 kg 800 mm (podle konkrétního zvedáku) 2020 mm 150 kg 2,2 kW 5°C až 55°C pod 75 dB(A) |
Objednávka zboží
7110000012856
OMA 547INC Přístroj pro zjišťování vůlí v zavěšení kol a řízení
na objednávku
na objednávku
Kč 130.020,00



